环链电动葫芦是一种起重量可达带0.3t-32t的电动葫芦,结构简单易操作。运行式的环链葫芦由提升机构和移动设备两部分组成。由电路进行控制的,昨天有一位北京的客户想要看一下环链电动葫芦的电路构造图,所以今天我们就把电动葫芦的电路图整理了一下:

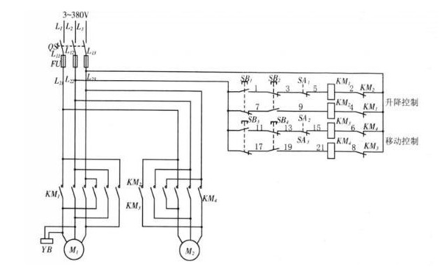
环链葫芦主电路:两台电动机M1、M2回路。其中M1是用来提升货物的,用电磁抱闸YB制动;M2是带动电动葫芦作水平移动的。M1由接触器KM1、KM2进行正反转控制,实现水平移动的进退。主电路用熔断器FU作短路保护,经开关QS与电源相连接。
辅助电路:电源由L22、L23两点引出。辅助电路有四条回路,两条为升降控制,两条为移动控制。控制按钮SB1、SB2、SB3、SB4都是悬挂式复合按钮。SA1、SA2、SA3是限位开关,用于提升和移动机构的终端保护。
从上面的图中我们清晰的可以看出环链电动葫芦的内部电路构造,图纸清晰明了,看完以后对线路构造了然于胸。如果看不懂也没关系,我们公司是一家专业生产、销售各种环链电动葫芦的厂家,有专业的技术和售后,会为您进行专业的讲解,所以在您购买了产品以后,不用担心有任何售后问题而找不到人解决。
上一篇:运行式环链电动葫芦使用过程中卡住怎 下一篇:环链电动葫芦常见故障有哪些?如何解决









